液压锁
 平衡阀
 梭阀
 溢流阀
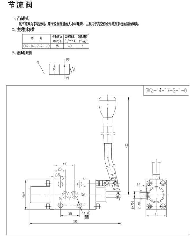
 节流阀
 MK节流阀、MG单向节流阀
 多路换向阀
 中央回转接头
 下车操纵阀
 液压泵站
 
公司名称:扬州市华夏液压件有限公司
联系人:夏先生
电话:0514-86789685
手机:13511714208 13952518956
传真:0514-86789785
邮编:225200
厂址:江苏省扬州市江都区邵伯南渡工业园
  产品展示

   

首页 | 公司简介 | 产品展示 | 技术资料 | 销售网络 | 企业荣誉 | 联系我们
其他产品信息:液压锁 平衡阀 梭阀 溢流阀 节流阀 中央回转接头 下车操纵阀 液压泵站
版权所有 www.cnhxyyj.com 扬州市华夏液压件有限公司 隐私声明
公司地址:江苏省扬州市江都区邵伯南渡工业园 电话:0514-86789685 传真:0514-86789785